Articles
10 things you want to know about RMC
Vastu Shastram - Residential Tips
Vastushastram is a foundational aspect that we need to be concentrating upon & consider fanatically for our well-being. It commences right from understanding the directional forces around us & learning which is exhibiting more positive energy. Directional analysis in olden days was done by observing the shadows during sunlight. But in modern era, with advancement in technology we have the magnetic compasses to be used with ease. One needs to ensure that the energy generated from directions when measured using the tools, should be positive.
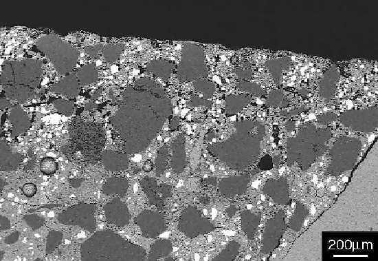
Poor concrete curing - an example
Everyone knows that good concrete curing is important. But what if it isn't cured as well as it should be? Figure 1 shows an image taken using a scanning electron microscope of a polished section of a piece of a core taken from a UK road bridge constructed in the 1970s. The top of the concrete in the image is the original surface of the concrete. The black regions in the image are epoxy resin used to prepare the polished section; the small black regions within the concrete are pores that were filled with epoxy resin during specimen preparation.
